
LDZC-10 high-precision current transformer is suitable for current and power measurement and protection of power supply and use equipment of cable lines below 35kV and 10kV in AC power systems. This current transformer has the characteristics of small size, light weight and easy installation, and has been widely used in ring network switch cabinets.
This type of current transformer uses new magnetic conductive materials as the core of the measuring winding. Its high magnetic permeability, low saturation magnetic induction intensity and excellent stability ensure high measurement accuracy and low instrument safety factor. High-quality imported silicon steel sheets are processed by advanced technology as the core of the protection winding, ensuring a high accuracy limit factor.
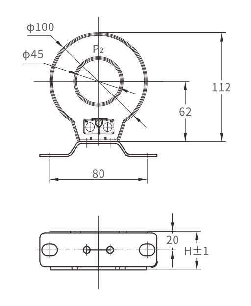
The ring core and secondary winding are vacuum cast in a flame-retardant plastic shell with high-quality epoxy resin, which is moisture-proof, stable in performance and maintenance-free. This type of current transformer is small in size, light in weight, and occupies little space. It is fixed in the cable room of the ring network switch cabinet. When installing, you only need to pass the cable through the inner hole. It is simple, fast, harmonious and beautiful. (Note: A series of current transformers with different specifications and parameters can be customized according to user requirements)


