
?Zero-Sequence Current Transformer Series
The LXZ-10 Zero-Sequence Current Transformer is widely used in AC power systems for distribution lines, as well as zero-sequence overcurrent protection and small-current grounding line selection in electrical equipment such as AC generators and motors.
This current transformer adopts high-permeability imported silicon steel sheets as the magnetic core material, ensuring high accuracy.
The core and secondary windings are vacuum-cast with high-quality epoxy resin in a flame-retardant plastic shell, providing moisture resistance, excellent insulation performance, and maintenance-free operation.
(Note: current transformers with different specifications and parameters can be customized according to user requirements.)



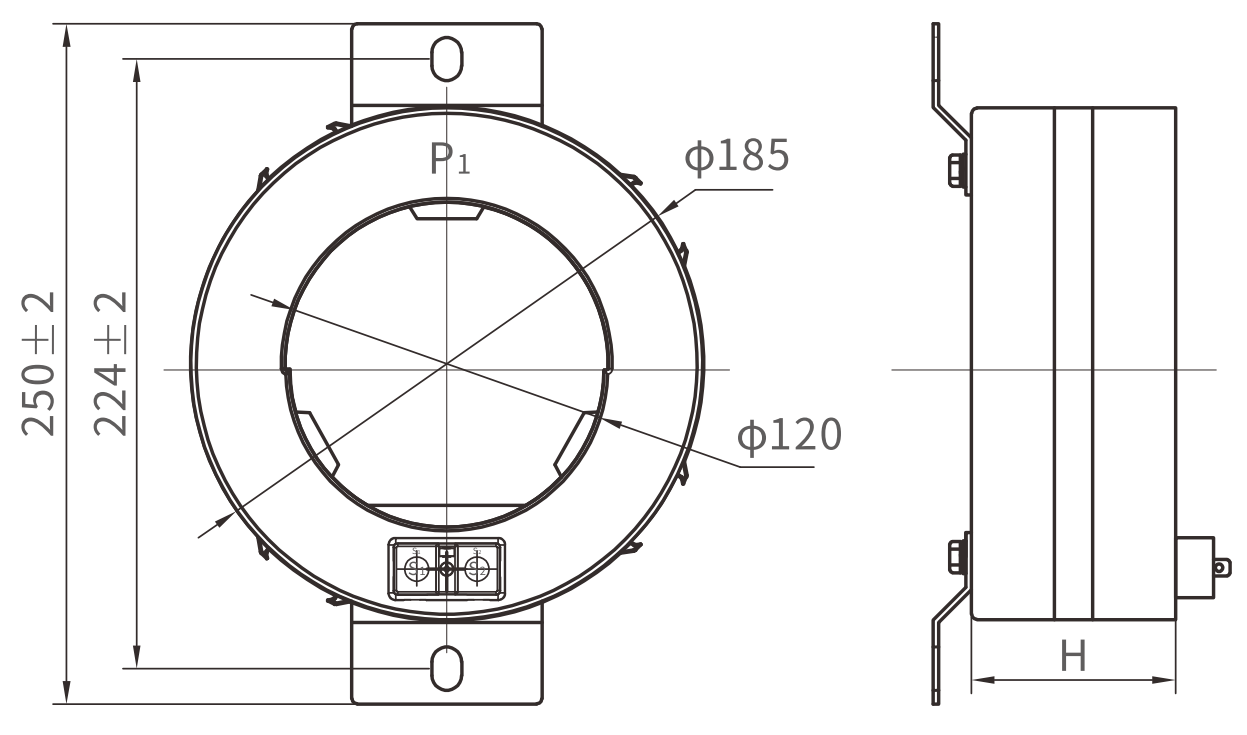
LZX-φ120/Φ185*H Current Transformer Dimensions